Fő tartalom átugrása

Hengeres kilincsmű


Kompakt megoldás megbízható mozgássorozatokhoz

A formagyártásban a reteszhúzókat két lemez mozgásának szabályozására használják. Miközben egy panel nyitáskor egy meghatározott helyzetben rögzül, a többi panel továbbra is nyitható marad. Ezzel a megoldással például két kidobócsomagot egymástól teljesen függetlenül lehet aktiválni. A KNARR új hengeres kilincsműve megbízhatóan irányítható mozgássorozatot biztosít, anélkül hogy további hidraulikus meghajtásokra volna szükség.

A költséghatékony és helytakarékos hengeres kilincsmű (313000) kis és közepes szerszámméretekhez egyaránt ideális választás. Mivel központilag és decentralizáltan is használható, számos különböző alkalmazáshoz illik. A testre szabható hub optimálisan az egyedi gyártási követelményekhez igazítható. A rúd opcionális DLC-bevonata még folyamatos használat esetén is növeli a reteszhúzó élettartamát, és fokozza a teljesítményt.




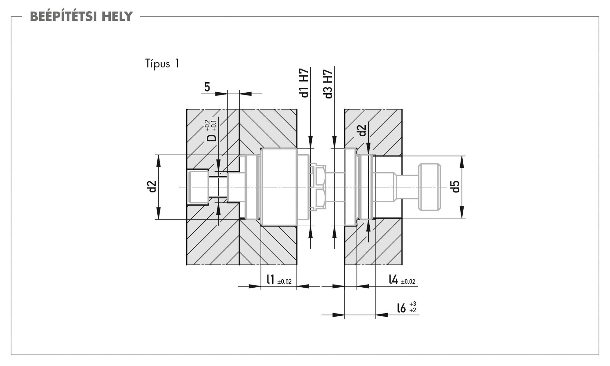
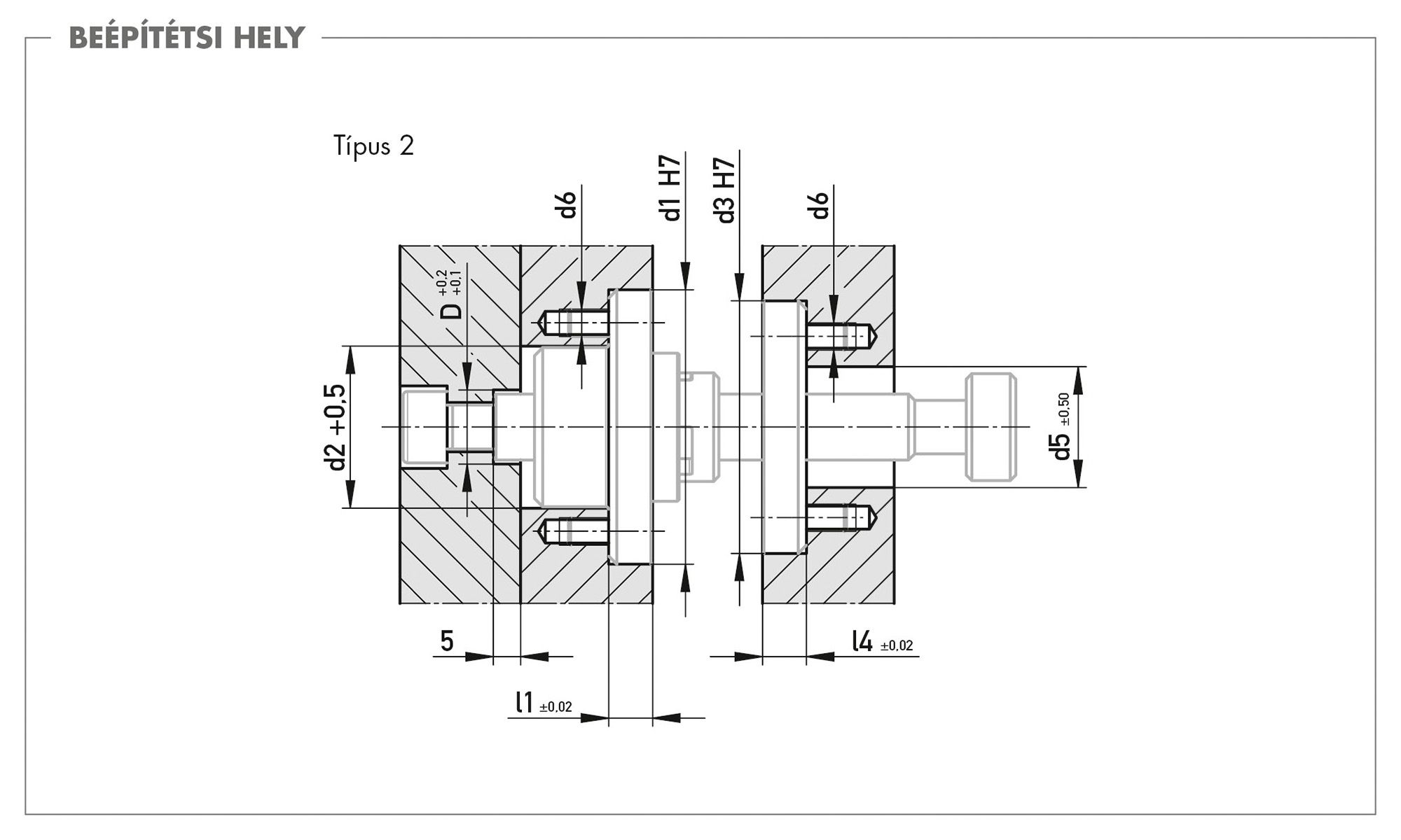
RÉSZLETES ALKALMAZÁSI PÉLDÁK

A hengeres kilincsmű különféle alkalmazásairól díjmentesen CAD-adatokat és metszeteket biztosítunk. Legyen szó decentralizált vezetésről vagy központi vontatásról, maximális rugalmasságának köszönhetően a KNARR hengeres kilincsmű minden helyzetben kiemelkedően teljesít. Fedezze fel a különböző alkalmazási lehetőségeket itt 2D nézetben vagy közvetlenül a tervezőszoftverében.